山東風途物聯網科技有限公司
聯系人:杜經理
聯系電話:16652863761
QQ:2749609891
公司地址:山東省濰坊市高新區光電路155號光電產業加速器(一期)

PRODUCT
聯系人:杜經理
聯系電話:16652863761
QQ:2749609891
公司地址:山東省濰坊市高新區光電路155號光電產業加速器(一期)
產品型號:FT-B6B
產品價格:980元
產品品牌:風途
一、空氣質量傳感器產品簡介
空氣質量傳感器又稱空氣質量檢測傳感器、空氣質量變送器,空氣質量傳感器是一款空氣環境綜合指數監測儀,用來監測空氣中的溫度、濕度、pm2.5、pm10、噪聲、光照,可實現戶外氣象參數24小時連續在線監測。山東風途物聯網科技有限公司作為專業研發生產氣象傳感器的企業,一直致力于氣象傳感器和氣象環境解決方案推廣應用。具有完整的生產鏈、實力雄厚的技術團隊和全面的營銷團隊,我們研發生產的傳感器已廣泛應用到智慧農業、氣象監測、城市環境監測、風力發電、航海船舶、航空機場、橋梁隧道等領域,客戶遍布全國各地,并取得了良好的社會效益和經濟效益。
二、空氣質量傳感器產品特點
1、抗干擾能力強,具有看門狗電路,自動復位功能,保證系統穩定運行
2、高集成度,無移動部件,零磨損
3、免維護,無需現場校準
4、采用ASA工程塑料室外應用常年不變色
5、產品設計輸出信號標配為RS485通訊接口(MODBUS協議);可選配232、USB、以太網接口,支持數據實時讀取☆
6、可選配無線傳輸模塊,最小傳輸間隔1分鐘
三、空氣質量傳感器技術參數
1、空氣溫度:-40-60℃(±0.3℃);(北京市氣象局校準證書)
2、空氣濕度:0-100%RH(±3%RH);(北京市氣象局校準證書)
3、光照:0-20W LUX(5%)
4、PM2.5:0-1000ug/m3(±10%)
5、PM10:0-1000ug/m3(±10%)
6、噪聲:30-120dB(±1.5dB)
7、功率:0.96W
8、生產企業具有計算機軟件注冊證書☆
9、生產企業為3A級信用企業☆
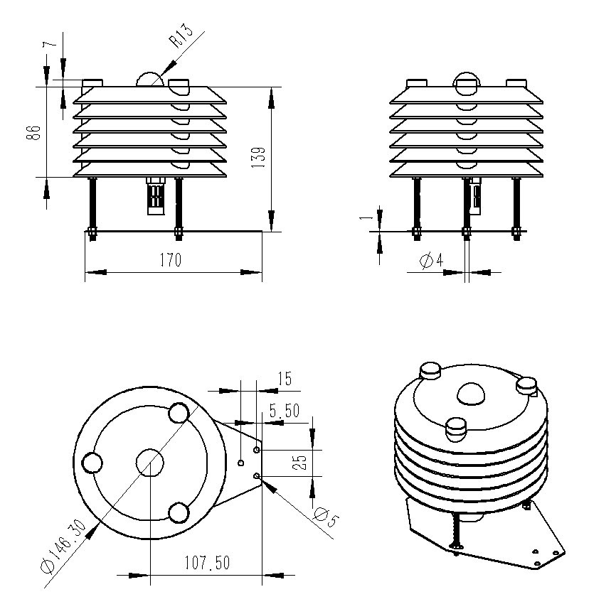
四、空氣質量傳感器產品尺寸圖

五、空氣質量傳感器產品結構圖

更新時間:2025-11-07
本文地址:http://www.rootech.com.cn/qxcg/753.html微型空氣質量監測系統公司
2024-08-22 15:41:37微型空氣質量監測系統網格化的幾個重要意義
2023-07-18 17:07:45微型氣象儀廠家推薦
2022-08-30 09:40:18氣象五參數廠家
2023-02-16 16:24:49四氣兩塵檢測儀,環境保護的有力工具
2024-10-21 16:13:01十一要素分布式光伏氣象站(標準款)介紹
2025-03-13 15:22:48微型一體化氣象站推薦
2024-07-22 16:20:09微型氣象站的設計有什么優勢?
2022-11-11 17:12:18瘦肉精檢測儀
2023-05-17 13:58:06便攜式移動氣象站
2021-12-28 16:15:08